Kategória
Značky
    Blog
      Produkty
      Nenájdené žiadne produkty.

      Menu
      Stránky
      0
      Porovnať

      Strojný NC zverák Röhm RKE-L 125 s posilňovačom (reverzibilné čeľuste) (ROHM180464)

      Strojný NC zverák Röhm RKE-L 125 s posilňovačom (reverzibilné čeľuste) (ROHM180464)

      RÖHM
      E-shop: ROHM180464
      Katalog: ROHM180464
      EAN: 4019208330310
      NC kompaktní přesný svěrák Röhm RKE-LV 125 s posilovačem a reverzními stupňovými čelistmi Kompaktní přesný svěrák pro CNC obráběcí centra vybavený mechanickým ručním posilovačem. Umožnuje bezpečné upínání při minimální námaze obsluhy. Tyto kompakt
      Není skladem (0 KS)
      Strážiť tovarDotaz/Poptat
      4 179,86 EUR
      3 398,26 EUR bez DPH
      Stáhnout

      Strojný NC zverák Röhm RKE-L 125 s posilňovačom (reverzibilné čeľuste) (ROHM180464)

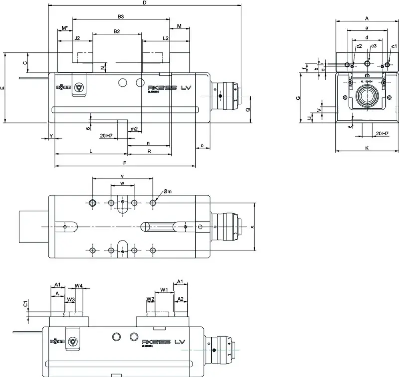
      • Šírka čeľustí [mm]: 125
      • Upínací dĺžka [mm]: 0 ÷ 96 | 96 ÷ 192
      • Výška čeľustí [mm]: 40
      • Celková dĺžka (Dmax) [mm ]: 385
      • Dĺžka zveráka (F) [mm]: 280
      • Šírka zveráka [mm]: 126
      • Výška zveráka [mm]: 140
      • Upínací tlak [kN]: 40
      • Hmotnosť [kg]: 29

      NC kompaktný presný zverák Röhm RKE-LV 125 s posilňovačom a reverznými stupňovými čeľusťami

      Kompaktný presný zverák pre CNC obrábacie centrá vybavený mechanickým ručným posilňovačom. Umožnuje bezpečné upínanie pri minimálnej námahe obsluhy.
      Tieto kompaktné modulárne zveráky sú optimalizované pre obrábacie centrá a 5-stranné obrábanie na jedno upnutie obrobku.

      • Optimalizované pre bezkolíznu 5-stranné obrábanie pri jednom upnutí
      • Vhodné najmä pre 5-osová obrábacie centrá v kombinácii so základnou doskou
      • Krátka, kompaktná konštrukcia zveráku
      • Výborná dostupnosť upnutého obrobku pre obrábanie
      • Vysoká opakovateľná presnosť upnutia
      • Veľká upínacia plocha
      • Presné polohovanie
      • Upínací systém: mechanicko-mechanický, ručne ovládaný
      • Pohon vretena a mechanicko-mechanický prevod sily sú zapuzdrené - ochrana proti trieskam
      • Telo zveráku je prevedené z masívnej ocele a všetky vodiace plochy sú kalené a brúsené na všetkých stranách. Spodný diel s dlhými a priečnymi drážkami 20 H7
      • Univerzálne použiteľné- zveráky možné používať horizontálne,vertikálne alebo aj na boku
      • Upínacia plocha pre upínanie úpinkami (krapnami)
      • Centrálne mazanie vodítok a závitu vretena
      • Dlhé funkčné a upínacie plochy sú na všetkých styčných stranách tvrdené a presne brúsené
      • Stabilné zveráky s kompaktným dizajnom a maximálnou presnosťou upínanie pre stiesnené priestory
      • .
      • Jednoduchá obsluha

      Súčasti v dodávke zveráku

      • Reverzný stupňovej čeľuste
      Produkt doteraz nikto nehodnotil.

      Súhlas so spracovaním osobných údajov je povinné pole

      Zatvoriť

      Hodnotenie odoslané

      Ďakujeme za vaše hodnotenie. Po schválení obsahu bude zobrazené pri produkte.

      Požiadavka nemôže byť momentálne odoslaná. Skúste to znova neskôr.
      Chcete nám niečo povedať o našich produktoch alebo e-shope? Neváhajte napísať.
      Správa bola odoslaná

      Košík obsahuje nepovolené položky

      Košík je prázdny

      Soubor stažen