Kategória
Značky
    Blog
      Produkty
      Nenájdené žiadne produkty.

      Menu
      Stránky0Porovnať
      3čeľusťové skľučovadlo Bernardo Standard DK11-125, DIN 6350, liatinové (BER210752)

      3čeľusťové skľučovadlo Bernardo Standard DK11-125, DIN 6350, liatinové (BER210752)

      Bernardo
      E-shop: BER210752
      Katalog: 21-0752
      EAN: 9009468018412
      Litinové 3čelisťové sklíčidlo Bernardo Standard DK11-125 podle DIN 6350 umožňuje přesné upnutí obrobků do průměru 125 mm pro soustružnické práce. Robustní konstrukce zajišťuje dlouhou životnost a stabilitu při obrábění.
      Na sklade (1 KS)
      Dotaz/Poptat
      171,92 EUR
      142,08 EUR bez DPH
      Stáhnout

      3čeľusťové skľučovadlo Bernardo Standard DK11-125, DIN 6350, liatinové (BER210752)

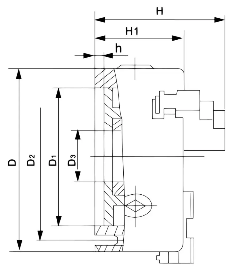
      • Priemer [mm]: 125
      • D1 [mm]: 95
      • D2 [mm] : 108
      • D3 [mm]: 30
      • H [mm]: 84,5
      • H1 [mm]: 58
      • h [mm]: 4
      • Zd: 3-M8
      • Maximálne otáčky [U.min-1]: 3 000

      Skľučovadlo Bernardo 3čeľusťové Standard DK11, DIN 6350, liatina

      Súčasti dodávky skľučovadla Bernardo

      • 1 sada = 3 otočné čeľuste s vnútorným odstupňovaním
      • 1 sada = 3 vŕtané čeľuste s vonkajším odstupňovaním
      • 1 upínacia kľučka a príslušné upevňovacie skrutky alebo čapy podľa druhu skľučovadla

      Videá

      {common|4|productList}

      {common|4|manuals}

      Katalogy

      BERNARDO kovoobrábění
      BERNARDO vrtačky
      magneticke_vrtacky
      zavitorezne_vrtacky
      vrtacko_frezky
      pasove_a_kotoucove_pily
      Soustruhy na dřevo
      BERNARDO soustruhy
      BERNARDO brusky
      BERNARDO frézky
      Akce 14. 10.2020 - 31. 12.2020
      Magnetické vrtačky 2021
      Závitořezné vrtačky 2021
      Vrtačkofrézky 2021
      Soustruhy 2021
      Pásové a kotoučové pily 2021

      Dokumenty

      Ostatné

      Produkt doteraz nikto nehodnotil.

      Súhlas so spracovaním osobných údajov je povinné pole

      Zatvoriť

      Hodnotenie odoslané

      Ďakujeme za vaše hodnotenie. Po schválení obsahu bude zobrazené pri produkte.

      Požiadavka nemôže byť momentálne odoslaná. Skúste to znova neskôr.
      Chcete nám niečo povedať o našich produktoch alebo e-shope? Neváhajte napísať.
      Správa bola odoslaná

      Košík obsahuje nepovolené položky

      Košík je prázdny

      Soubor stažen