Prosíme, vyberte zemi podle jazyka a platných daňových předpisů.
×
Boukal.SK
Blog
    Produkty
    Nenájdené žiadne produkty.

    Menu
    Stránky0Porovnať
    Nástrčná hlavica 1 1/2" Koken 17400M veľ. 11 mm, rázová (KOK17400M 115mm)

    Nástrčná hlavica 1 1/2" Koken 17400M veľ. 11 mm, rázová (KOK17400M 115mm)

    E-shop: KOK17400M 115mm
    Katalog: 17400M 115mm
    EAN: 4991644465354
    Rázová nástrčná kovaná hlavica Koken Impact - šesťhranná. Chróm-molybdén, morené
    Do 10 dnů  (28.03. 2026) (0 KS)

    Strážiť tovarDotaz/Poptat
    Stáhnout

    Nástrčná hlavica 1 1/2" Koken 17400M veľ. 11 mm, rázová (KOK17400M 115mm)

    Nástrčná hlavica Ko-ken Impakt (Impakt) s upínacím/pohonným štvorhranom 1 1/2"

    • Impact - rázové prevedenie
    • Vyrobené z vysoko kvalitnej legovanej ocele (Chrom-molybdenová oceľ)
    • li fosfátovaný mangán
    • Tento produkt je metrické/palcové prevedenie nástrčnej hlavice s upínacou veľkosťou 1 1/2"
    • Navrhnuté tak, aby bol ideálny pre automobilové a motocyklové aplikácie, a je ideálny pre profesionálnych mechanikov aj pre domácich majstrov
    • Nárazuvzdor moment bez toho, aby poškodila elegantnú a odolnú konštrukciu. minimalizuje opotrebenie, zvyšuje odolnosť a umožňuje prenos vyššieho krútiaceho momentu pre lepší výkon. FlatDrive® - zaisťuje konzistentný záber a rozloženie krútiaceho momentu naprieč všetkými spojovacími bodmi.
    • Široký výber veľkostí hlavíc a pohonov: od 1/4“ do 3 1/2“
    • K dispozícii sú aj predlžovacie kĺby, kĺby a adaptéry pre rázové uťahovanie alebo aplikácie s vysokým krútiacim momentom
    • Pohonný koniec je navrhnutý tak, aby spĺňal normu DIN
    • K dispozícii sú varianty s poistkou s čapom, O-krúžkom alebo 3-krúžkom parametre hlavice Koken
      • Materiál: chróm-molybdénová oceľ
      • Kované
      • Povrch: fosfátovaný mangán
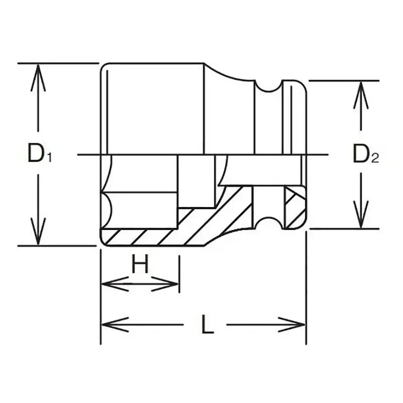
      • Pohon - vnútorný štvorhran [“]: 115
      • Vonkajší priemer hlavice [mm]: 160
      • Dĺžka [mm]: 128
      • Hmonosť [kg]:1
    Produkt ste už hodnotili
    Požiadavka nemôže byť momentálne odoslaná. Skúste to znova neskôr.
    Chcete nám niečo povedať o našich produktoch alebo e-shope? Neváhajte napísať.
    Správa bola odoslaná

    Košík obsahuje nepovolené položky

    Košík je prázdny

    Soubor stažen