Prosíme, vyberte zemi podle jazyka a platných daňových předpisů.
×
Boukal.SK
Kategória
Značky
    Blog
      Produkty
      Nenájdené žiadne produkty.

      Menu
      Stránky0Porovnať
      4čeľusťové skľučovadlo Bernardo Standard DK12-315/D11, DIN 55029, liatinové (BER210840)

      4čeľusťové skľučovadlo Bernardo Standard DK12-315/D11, DIN 55029, liatinové (BER210840)

      Bernardo
      E-shop: BER210840
      Katalog: 21-0840
      EAN: 9009468019105
      Litinové 4čelisťové sklíčidlo Bernardo Standard DK12-315/D11 podle DIN 55029 umožňuje samostatné upínání obrobků a je vhodné pro soustruhy s upínacím průměrem 315 mm. Robustní konstrukce zajišťuje stabilitu při obrábění a dlouhou životnost.
      Není skladem (0 KS)

      Strážiť tovarDotaz/Poptat
      1 087,90 EUR
      884,47 EUR bez DPH
      Stáhnout

      4čeľusťové skľučovadlo Bernardo Standard DK12-315/D11, DIN 55029, liatinové (BER210840)

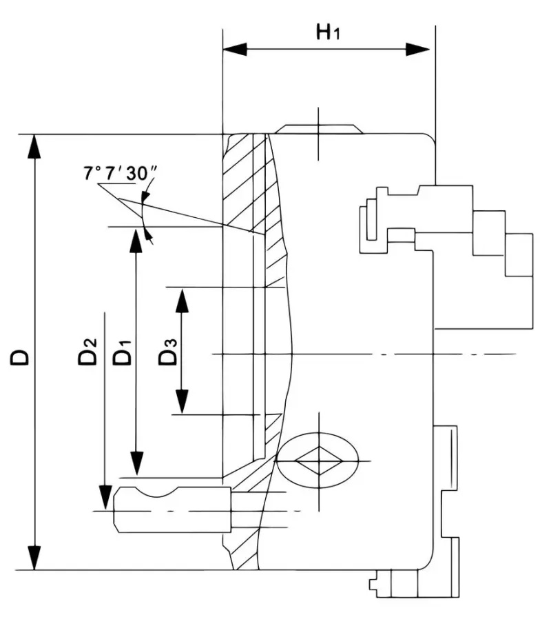
      • Priemer [mm]: 315
      • Kužeľ: 11
      • Priemer D min./max. [mm]: 196,869 / 196,887
      • Priemer E [mm]: 100
      • Výška B [mm]: 115
      • Výška B1 [mm]: 121,5
      • Roztočná kružnica pre skrutky F [mm]: 235
      • skrutiek [ks]: 6
      • Hmotnosť [kg]: 51

      Sklíčidlo Bernardo 4čelisťové Standard DK12/D11, DIN 55029, litina

      Součásti dodávky sklíčidla

      • 1 sada - 4 otočné čelisti s vnitřním odstupňováním
      • 1 sada - 4 vrtané čelisti s vnějším odstupňováním
      • Upínací klička
      • Příslušné upevňovací šrouby nebo čepy dle druhu sklíčidla

      Videá

      {common|4|productList}

      {common|4|manuals}

      Katalogy

      BERNARDO kovoobrábění
      BERNARDO vrtačky
      magneticke_vrtacky
      zavitorezne_vrtacky
      vrtacko_frezky
      pasove_a_kotoucove_pily
      Soustruhy na dřevo
      BERNARDO soustruhy
      BERNARDO brusky
      BERNARDO frézky
      Akce 14. 10.2020 - 31. 12.2020
      Magnetické vrtačky 2021
      Závitořezné vrtačky 2021
      Vrtačkofrézky 2021
      Soustruhy 2021
      Pásové a kotoučové pily 2021

      Dokumenty

      Ostatné

      Produkt ste už hodnotili
      Požiadavka nemôže byť momentálne odoslaná. Skúste to znova neskôr.
      Chcete nám niečo povedať o našich produktoch alebo e-shope? Neváhajte napísať.
      Správa bola odoslaná

      Košík obsahuje nepovolené položky

      Košík je prázdny

      Soubor stažen