Prosíme, vyberte zemi podle jazyka a platných daňových předpisů.
×
Boukal.SK
Kategória
Značky
    Blog
      Produkty
      Nenájdené žiadne produkty.

      Menu
      Stránky0Porovnať
      Presné 4-čelisťové skľučovadlo PO4-200/C6, DIN 55027, oceľ (BER212021F)

      Presné 4-čelisťové skľučovadlo PO4-200/C6, DIN 55027, oceľ (BER212021F)

      Bernardo
      E-shop: BER212021F
      Katalog: 21-2021F
      Přesné 4-čelisťové sklíčidlo PO4-200/C6 z oceli podle DIN 55027 umožňuje pevné upnutí obrobků a přesné obrábění na soustruhu. Čelisti lze nastavit samostatně.
      Není skladem (0 KS)

      Strážiť tovarDotaz/Poptat
      1 148,33 EUR
      933,60 EUR bez DPH
      Stáhnout
      Kód: 3M27650
      Brusný fíbrový disk 3M™ Cubitron™ II 987C, 125 x 22 mm P80 (3M27650)
      brúsivo: Cubitron II, zrnitosť: 80, rýchlosť: 12000 U.min-1
      Do 5 dnů (0 KS)
      2,14 EUR / KS s DPH
      Kód: 3M7000045230
      Fíbrový brusný kotouč Cubitron II 982C průměr 150 mm, střed 22 mm P36+ 3M (3M7000045230)
      brúsny kotúč na oceľ
      Na sklade (168 KS)
      3,18 EUR / KS s DPH
      Kód: 3M7000045234
      Fíbrový brusný kotouč Cubitron II 982C průměr 150 mm, střed 22 mm P60+ 3M (3M7000045234)
      brúsny kotúč na oceľ
      Na sklade (96 KS)
      3,94 EUR / KS s DPH

      Presné 4-čelisťové skľučovadlo PO4-200/C6, DIN 55027, oceľ (BER212021F)

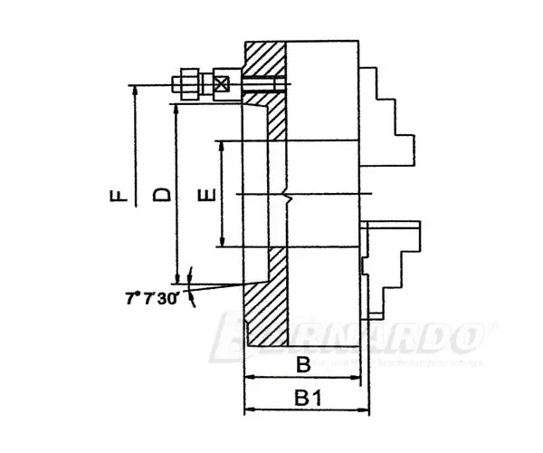
      - Priemer [mm]: 200 - Kužel: 6 - B [mm]: 78 - B1 [mm]: 82,8 - D min./max. [106,375 / 106,390 - E [mm]: 55 - F [mm]: 133,4 - Skrutky: 4 - Hmotnosť cca. 4 [kg]: 19 Presné 4-čelisťové skľučovadlo PO4-200/C6, DIN 55027, oceľ Komponenty 4-čeľusťového skľučovadla - 1 sada = 4 otočné čeľuste s vnútorným odstupňovaním - 1 sada = 4 vŕtané čeľuste s vonkajším delením - 1 upínacia rukoväť a príslušné upevňovacie skrutky alebo kolíky podľa typu skľučovadla

      Videá

      {common|4|productList}

      {common|4|manuals}

      Katalogy

      BERNARDO kovoobrábění
      BERNARDO vrtačky
      magneticke_vrtacky
      zavitorezne_vrtacky
      vrtacko_frezky
      pasove_a_kotoucove_pily
      Soustruhy na dřevo
      BERNARDO soustruhy
      BERNARDO brusky
      BERNARDO frézky
      Akce 14. 10.2020 - 31. 12.2020
      Magnetické vrtačky 2021
      Závitořezné vrtačky 2021
      Vrtačkofrézky 2021
      Soustruhy 2021
      Pásové a kotoučové pily 2021

      Dokumenty

      Ostatné

      Produkt ste už hodnotili
      Požiadavka nemôže byť momentálne odoslaná. Skúste to znova neskôr.
      Chcete nám niečo povedať o našich produktoch alebo e-shope? Neváhajte napísať.
      Správa bola odoslaná

      Košík obsahuje nepovolené položky

      Košík je prázdny

      Soubor stažen