Prosíme, vyberte zemi podle jazyka a platných daňových předpisů.
×
Boukal.SK
Kategória
Značky
    Blog
      Produkty
      Nenájdené žiadne produkty.

      Menu
      Stránky0Porovnať
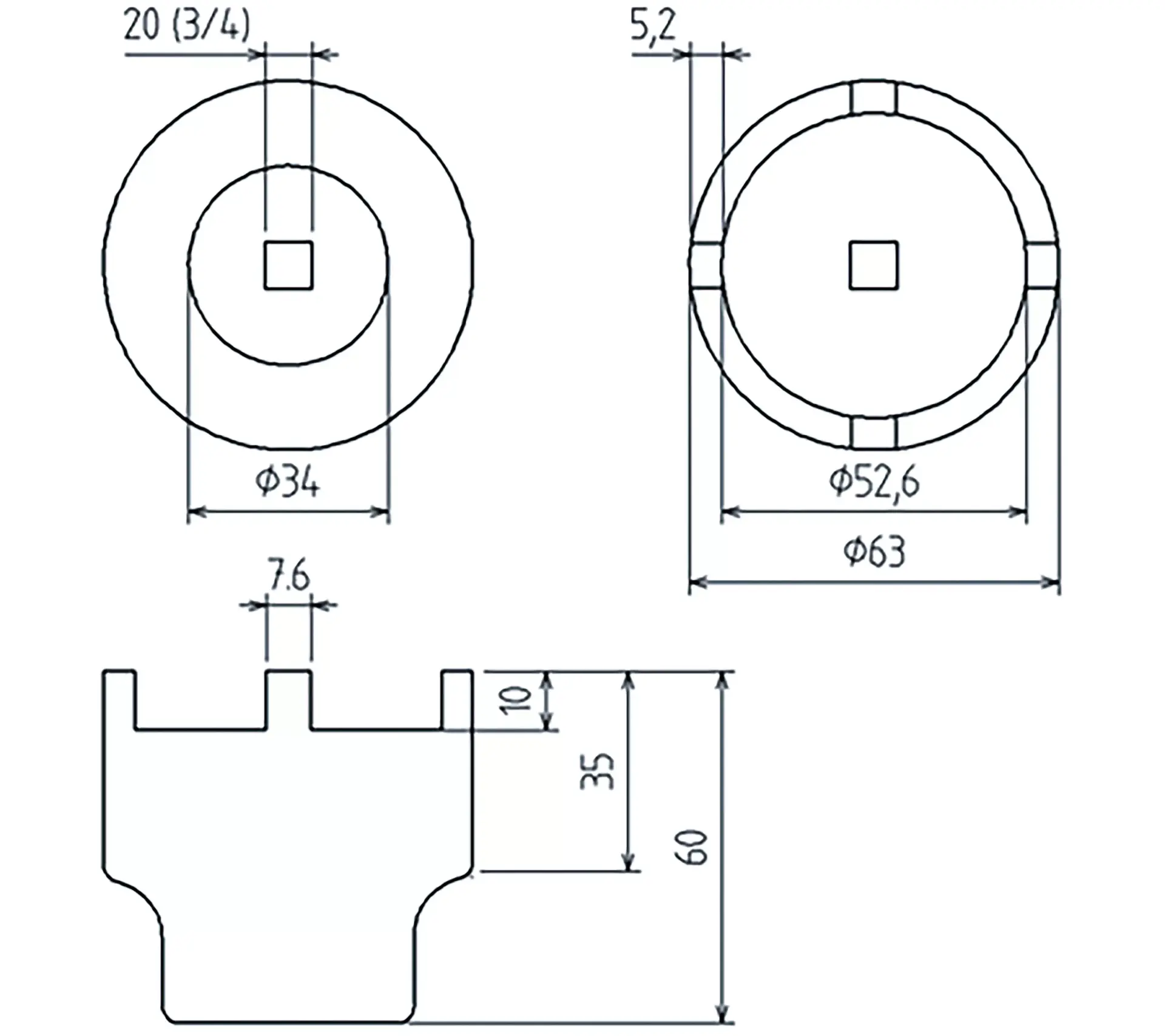
      Hlavica pre povolenie nosného guľového čapu BGS105420 Pro MB M-Klasse W163 a W164 (BGS105420)

      Hlavica pre povolenie nosného guľového čapu BGS105420 Pro MB M-Klasse W163 a W164 (BGS105420)

      BGS Technic
      E-shop: BGS105420
      Katalog: 5420
      EAN: 4026947054209
      Speciální hlavice BGS105420 je určena pro povolení nosného kulového čepu u vozů Mercedes-Benz M-Klasse W163 a W164. Robustní konstrukce zajišťuje přesné usazení a efektivní práci při servisu podvozku.
      Na sklade (3 KS)

      Dotaz/Poptat
      28,69 EUR
      23,32 EUR bez DPH
      Stáhnout
      Kód: BER031537
      Sklíčidlo pre Hobby 140 (BER031537) umožňuje rýchlu výmenu nástrojov a pevné uchopenie...
      Na sklade (2 KS)
      51,24 EUR / KS s DPH
      Kód: BER031582
      Příruba pr. 125 mm pro Profi 450 S / Vario (BER031582)
      Priemer príruby 125 mm pre Profi 450 S / Vario
      Skladem (0 KS)
      65,70 EUR / KS s DPH
      Kód: BER051390
      príruba pre URS 500 N
      Na sklade (2 KS)
      325,85 EUR / KS s DPH
      Kód: BER066004
      Pěchovací nástroj Bernardo 06-6004 pro SS 20/SS 20 F (BER066004)
      Príslušenstvo pre stroje na rovnanie a podbíjanie plechu Bernardo SS 20 a SS 20 F
      Na sklade (1 KS)
      199,71 EUR / KS s DPH
      Kód: BER066141I
      Dierovacia jednotka s priemerom 11 mm pre PBS 22 LS
      Není skladem (0 KS)
      51,24 EUR / KS s DPH
      Kód: BER066320
      Súprava nožov je určená pre modely HST 3200 x 6, HST 3200 x 8 a HST 3 a zabezpečuje presné...
      Není skladem (0 KS)
      2 496,38 EUR / KS s DPH

      Hlavica pre povolenie nosného guľového čapu BGS105420 Pro MB M-Klasse W163 a W164 (BGS105420)

      BGS technic - Hlavica pre povolenie nosného guľového čapu

      Videá

      {common|4|productList}

      {common|4|manuals}

      Katalogy

      Akce - vozíky
      Katalog BGS 20/21

      Dokumenty

      Ostatné

      Produkt ste už hodnotili
      Požiadavka nemôže byť momentálne odoslaná. Skúste to znova neskôr.
      Chcete nám niečo povedať o našich produktoch alebo e-shope? Neváhajte napísať.
      Správa bola odoslaná

      Košík obsahuje nepovolené položky

      Košík je prázdny

      Soubor stažen