Prosíme, vyberte zemi podle jazyka a platných daňových předpisů.
×
Boukal.SK
Kategória
Značky
    Blog
      Produkty
      Nenájdené žiadne produkty.

      Menu
      Stránky0Porovnať
      4čeľusťové skľučovadlo Bernardo Standard DK12-400/D6, DIN 55029, liatinové (BER210841)

      4čeľusťové skľučovadlo Bernardo Standard DK12-400/D6, DIN 55029, liatinové (BER210841)

      Bernardo
      E-shop: BER210841
      Katalog: 21-0841
      EAN: 9009468019112
      Litinové 4čelisťové sklíčidlo Bernardo Standard DK12-400/D6 podle DIN 55029 umožňuje samostatné upínání obrobků a je vhodné pro soustruhy s upínacím průměrem 400 mm. Robustní konstrukce zajišťuje stabilitu při obrábění a dlouhou životnost.
      Není skladem (0 KS)

      Strážiť tovarDotaz/Poptat
      1 550,39 EUR
      1 260,48 EUR bez DPH
      Stáhnout

      4čeľusťové skľučovadlo Bernardo Standard DK12-400/D6, DIN 55029, liatinové (BER210841)

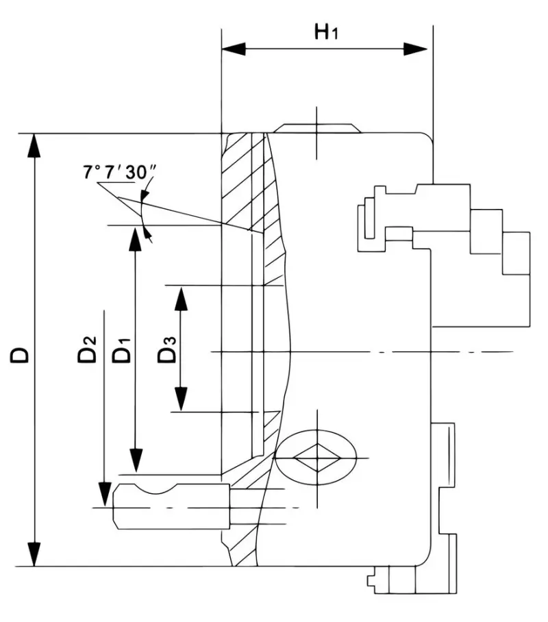
      • Priemer [mm]: 400
      • Kužeľ: 6
      • Priemer D min./max. [mm]: 106,375 / 106,390
      • Priemer E [mm]: 103
      • Výška B [mm]: 126
      • Výška B1 [mm]: 134,8
      • Roztočná kružnica pre skrutky F [mm]: 133,4
      • skrutiek [ks]: 6
      • Hmotnosť [kg]: 101

      Skľučovadlo Bernardo 4čeľusťové Standard DK12/D6, DIN 55029, liatina

      Súčasti dodávky skľučovadla

      • 1 sada - 4 otočné čeľuste s vnútorným odstupňovaním
      • 1 súprava - 4 vŕtané čeľuste s vonkajším odstupňovaním
      • Upínacia kľučka
      • Príslušné upevňovacie skrutky alebo čapy podľa druhu skľučovadla

      Videá

      {common|4|productList}

      {common|4|manuals}

      Katalogy

      BERNARDO kovoobrábění
      BERNARDO vrtačky
      magneticke_vrtacky
      zavitorezne_vrtacky
      vrtacko_frezky
      pasove_a_kotoucove_pily
      Soustruhy na dřevo
      BERNARDO soustruhy
      BERNARDO brusky
      BERNARDO frézky
      Akce 14. 10.2020 - 31. 12.2020
      Magnetické vrtačky 2021
      Závitořezné vrtačky 2021
      Vrtačkofrézky 2021
      Soustruhy 2021
      Pásové a kotoučové pily 2021

      Dokumenty

      Ostatné

      Produkt ste už hodnotili
      Požiadavka nemôže byť momentálne odoslaná. Skúste to znova neskôr.
      Chcete nám niečo povedať o našich produktoch alebo e-shope? Neváhajte napísať.
      Správa bola odoslaná

      Košík obsahuje nepovolené položky

      Košík je prázdny

      Soubor stažen