Místní obsah a možnosti nákupu online zobrazíte výběrem jiné země nebo oblasti.
×
Boukal.SK
Kategória
Značky
    Blog
      Produkty
      Nenájdené žiadne produkty.

      Menu
      Stránky0Porovnať
      4čeľusťové nesústredné skľučovadlo Bernardo K72-630/D11, DIN 55029 (BER215074)

      4čeľusťové nesústredné skľučovadlo Bernardo K72-630/D11, DIN 55029 (BER215074)

      Bernardo
      E-shop: BER215074
      Katalog: 21-5074
      EAN: 9009468026868
      Čtyřčelisťové nesoustředné sklíčidlo Bernardo K72-630/D11 podle DIN 55029 umožňuje upínání nepravidelných obrobků a je vhodné pro soustruhy s upínacím průměrem 630 mm. Robustní konstrukce zajišťuje stabilitu při obrábění a snadné nastavení jednotlivý
      Není skladem (0 KS)
      Strážiť tovarDotaz/Poptat
      2 569,41 EUR
      2 088,95 EUR bez DPH
      Stáhnout

      4čeľusťové nesústredné skľučovadlo Bernardo K72-630/D11, DIN 55029 (BER215074)

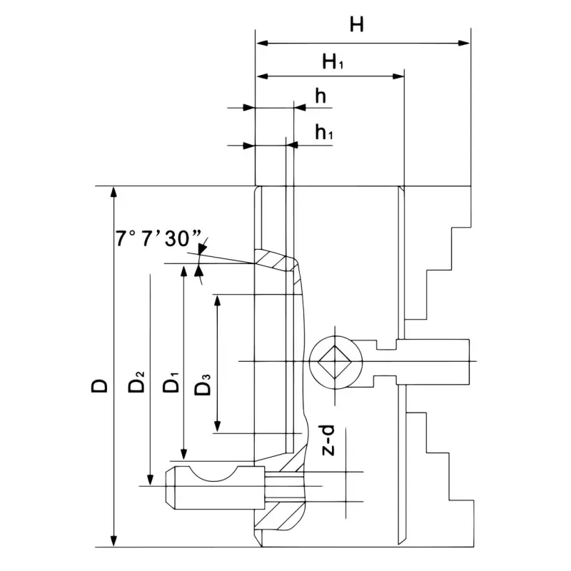
      • Veľkosť skľučovadla [mm]: 630/D11
      • Priemer D [mm]: 630
      • Kužeľ: 11
      • Priemer D1 [mm]: 196,869
      • Priemer D2 [mm]: 235
      • Priemer D3 [mm]: 180
      • Výška H1 [mm] : 115
      • Max. otáčky [U.min-1]: 320
      • Hmotnosť [kg]: 169

      4čeľusťové liatinové nesústredné skľučovadlo Bernardo vhodné na upínanie asymetrických a pravouhlých obrobkov na sústruhoch, DIN 55029

      • Štvorčeľusťové nesústredné skľučovadlo z liatiny
      • S priamym upínaním Camlock podľa DIN 55029
      • Štyri jednotlivo nastaviteľné upínacie čeľuste
      • Od priemeru 300 mm sú vyfrézované T-drážky
      • Vrátane sady kalených monoblokových čeľustí
      • 1 upínacia kľučka a príslušné upevňovacie skrutky alebo čapy podľa druhu skľučovadla

      Videá

      {common|4|productList}

      {common|4|manuals}

      Katalogy

      BERNARDO kovoobrábění
      BERNARDO vrtačky
      magneticke_vrtacky
      zavitorezne_vrtacky
      vrtacko_frezky
      pasove_a_kotoucove_pily
      Soustruhy na dřevo
      BERNARDO soustruhy
      BERNARDO brusky
      BERNARDO frézky
      Akce 14. 10.2020 - 31. 12.2020
      Magnetické vrtačky 2021
      Závitořezné vrtačky 2021
      Vrtačkofrézky 2021
      Soustruhy 2021
      Pásové a kotoučové pily 2021

      Dokumenty

      Ostatné

      Produkt doteraz nikto nehodnotil.

      Súhlas so spracovaním osobných údajov je povinné pole

      Zatvoriť

      Hodnotenie odoslané

      Ďakujeme za vaše hodnotenie. Po schválení obsahu bude zobrazené pri produkte.

      Požiadavka nemôže byť momentálne odoslaná. Skúste to znova neskôr.
      Chcete nám niečo povedať o našich produktoch alebo e-shope? Neváhajte napísať.
      Správa bola odoslaná

      Košík obsahuje nepovolené položky

      Košík je prázdny

      Soubor stažen