Kategória
Značky
    Blog
      Produkty
      Nenájdené žiadne produkty.

      Menu
      Stránky
      0
      Porovnať

      Presné 4-čelisťové skľučovadlo PO4-400/C8, DIN 55027, oceľ (BER212028F)

      Presné 4-čelisťové skľučovadlo PO4-400/C8, DIN 55027, oceľ (BER212028F)

      Bernardo
      E-shop: BER212028F
      Katalog: 21-2028F
      Přesné 4-čelisťové sklíčidlo PO4-400/C8 z oceli podle DIN 55027 umožňuje pevné upnutí obrobků a přesné obrábění na soustruzích. Čelisti lze nastavit nezávisle pro různé tvary materiálu.
      Není skladem (0 KS)

      Strážiť tovarDotaz/Poptat
      3 460,50 EUR
      2 813,41 EUR bez DPH
      Stáhnout
      Kód: 3M27650
      52-3m27650
      brúsivo: Cubitron II, zrnitosť: 80, rýchlosť: 12000 U.min-1
      Na sklade (237 KS)
      2,14 EUR / KS s DPH
      Kód: 3M7000045230
      99-7000045230
      brúsny kotúč na oceľ
      Na sklade (268 KS)
      3,19 EUR / KS s DPH
      Kód: 3M7000045234
      100-7000045234
      brúsny kotúč na oceľ
      Na sklade (96 KS)
      3,95 EUR / KS s DPH

      Presné 4-čelisťové skľučovadlo PO4-400/C8, DIN 55027, oceľ (BER212028F)

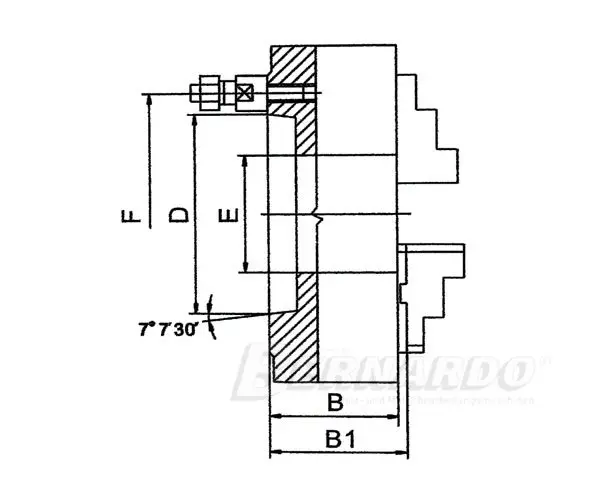
      - Priemer [mm]: 400 - Kužel: 8 - B [mm]: 108 - B1 [mm]: 116,8 - D min./max. [139,719 / 139,734 - E [mm]: 136 - F [mm]: 171,4 - Skrutky: 4 - Hmotnosť cca. 101 [kg]. Presné 4-čelisťové skľučovadlo PO4-400/C8, DIN 55027, oceľ Komponenty 4-čeľusťového skľučovadla - 1 sada = 4 otočné čeľuste s vnútorným odstupňovaním - 1 sada = 4 vŕtané čeľuste s vonkajším delením - 1 upínacia rukoväť a príslušné upevňovacie skrutky alebo kolíky podľa typu skľučovadla

      Videá

      {common|4|productList}

      {common|4|manuals}

      Katalogy

      BERNARDO kovoobrábění
      BERNARDO vrtačky
      magneticke_vrtacky
      zavitorezne_vrtacky
      vrtacko_frezky
      pasove_a_kotoucove_pily
      Soustruhy na dřevo
      BERNARDO soustruhy
      BERNARDO brusky
      BERNARDO frézky
      Akce 14. 10.2020 - 31. 12.2020
      Magnetické vrtačky 2021
      Závitořezné vrtačky 2021
      Vrtačkofrézky 2021
      Soustruhy 2021
      Pásové a kotoučové pily 2021

      Dokumenty

      Ostatné

      Produkt doteraz nikto nehodnotil.

      Súhlas so spracovaním osobných údajov je povinné pole

      Zatvoriť

      Hodnotenie odoslané

      Ďakujeme za vaše hodnotenie. Po schválení obsahu bude zobrazené pri produkte.

      Požiadavka nemôže byť momentálne odoslaná. Skúste to znova neskôr.
      Chcete nám niečo povedať o našich produktoch alebo e-shope? Neváhajte napísať.
      Správa bola odoslaná

      Košík obsahuje nepovolené položky

      Košík je prázdny

      Soubor stažen